Jiangsu Huafilter Hydraulische Industrie Co., Ltd.
Jiangsu Huafilter Hydraulische Industrie Co., Ltd.
Producten
Proportionele stroomregelklep 3Freez-1x
  • Proportionele stroomregelklep 3Freez-1xProportionele stroomregelklep 3Freez-1x
  • Proportionele stroomregelklep 3Freez-1xProportionele stroomregelklep 3Freez-1x
  • Proportionele stroomregelklep 3Freez-1xProportionele stroomregelklep 3Freez-1x

Proportionele stroomregelklep 3Freez-1x

Model:Proportional Flow Control Valve 3FREEZ-1X
• Productkenmerken: voldoet aan CE, EMC -richtlijnen
• Specificaties: proportionele stroomregelklep 3Freez-1x-serie,
• Toepassingen: hydraulische systemen, bouwmachines,

Proportionele stroomklep 3Freez-1x is een zeer nauwkeurige vloeistofcontrolecomponent, die meestal wordt gebruikt in industriële automatiseringssystemen die een nauwkeurige stroomregeling of stroomverhouding nodig hebben. Klep 3Freez-1x is een elektronisch gecontroleerde proportionele regulator (0-10V/4-20MA signaalingang). De druk kan meestal 315 bar bereiken, geschikt voor hogedrukhydraulische systemen. Proportionele stroomklep 3Freez-1x-klep kan worden geïntegreerd met PLC- en DCS-systemen en ondersteunt Modbus en andere communicatieprotocollen. De proportionele klep 3Freez-1x regelt de stroomsnelheid door het aandeel van elektrische signalen, realiseert de stepless snelheidsregeling van de actuator en verbetert de responsnauwkeurigheid van het systeem.


Productparameter van proportionele stroomregelklep 3Freez-1x

Algemeen
Bouw Spool-type klep met geïntegreerde drukcompensator
Handeling Proportionele solenoïde met positiecontrole en ingebouwde elektronica OBE
Montagepositie Optioneel
Omgevingstemperatuurbereik ℃ -20 ~+50
Gewicht KG NG6 (3.1)
NG10 (6.9)
Hydraulisch
Drukvocht Hydraulische olie naar DIN 51524 ... 535, andere vloeistoffen na eerder consultatie
Viscositeit mm2/S 20 ... 100 (aanbevolen)
10 ... 800 (Max.PerMitted)
Drukvloeistoftemperatuurbereik ℃ -20 ~+70
Statisch/dynamisch
Hysterese % ≤1 ≤1
Bereik van inversie % ≤0,5 ≤0,5
Productietolerantie % ≤5 ≤5


Productfunctie en toepassing van proportionele stroomregelklep 3Freez-1x

Functies

▶ Direct geregelde stroomregelkleppen NG6 en NG10 met ingebouwde elektronica en inductieve positie-transducer

▶ Met positiecontrole, minimale hysterese <1 %, zie technische gegevens

▶ De 3-wegfunctie wordt bepaald door hoe de hydraulische poorten worden toegewezen (resterende stroom loopt door poort P, 3e manier)

▶ Verstelbaar door middel van de gereguleerde solenoïde positie, de positietransducer en de ingebouwde elektronica

▶ Voor subplate-bijlage, montagegatconfiguratie NG6 tot ISO4401-03-02-0-94, NG10 naar ISO 4401-05-04-0-94

▶ Subplaten volgens catalogus, RE 45053 voor NG6, RE 45055 voor NG10 (afzonderlijk bestellen)

▶ Plug-in connector naar DIN 43563-AM6, zie Catalogus Sheet Re 08008 (afzonderlijk bestellen)

▶ Gegevens voor de ingebouwde trigger-elektronica

• voldoet aan CE, EMC -richtlijnen

In 61000-6-2: 2002-08

and EN 61000-6-3: 2002-08

• UB = 24VVNOM DC

• Elektrische verbinding 6p+PE

• Signaalbediening

-Standaard 0 ...+10V (A1)

• Klepcurve gekalibreerd in de fabriek

Sollicitatie:

Proportionele stroomklep 3Freez-1x wordt veel gebruikt in hydraulische systemen, bouwmachines, spuitgietmachines, sterfte-castingsmachines, chemische/procescontrole, enz. Het explosieverdichte model kan ook worden gebruikt in automatiseringsapparatuur in gevaarlijke gebieden zoals olie en aardgas.

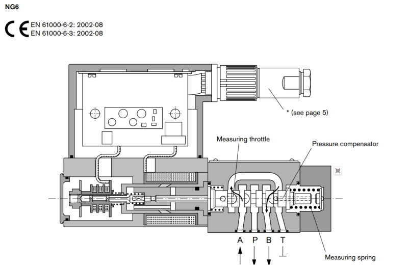
Functie en sectie van proportionele stroomregelklep 3Freez-1x

Algemeen

Type 3Freez Proportionele stroomregelkleppen met positiecontrole en ingebouwde elektronica zijn beschikbaar in nominale grootte6 en 10. Ze worden bediend door middel van een proportionele solenoïde met inductieve positie-transducer. Hysterese is <1 %.

De ingebouwde elektronica wordt in de fabriek gekalibreerd en maakt snelle responstijden mogelijk. Het ontwerp van het kleplichaam is zodanig dat de resterende stroom door poort P loopt.

Basisprincipe

Om het olieblaasje van B aan te passen, wordt een setpoint ingesteld in de trigger -elektronica. Op basis van dit setpoint regelt de elektronica de solenoïde spoel als een functie van het signaal van de positietransducer. De positiecontrole zorgt voor een zeer lage hysterese. De klepopening wordt bepaald door de meetranden op de spoel en de geïntegreerde drukcompensator vergelijkt de drukval door middel van een 8-bar meetveer. De drukcompensator met het meten van de veer reguleert de druk vóór de smoorrand volgens de vereenvoudigde formule: "Laaddruk plus kracht van het meten van de veer". Op deze manier wordt de drukval over de meetrand op een constant niveau gehouden.




Hottags: Proportionele stroomregelklep 3Freez-1x, China, fabrikant, leverancier, fabriek, groothandel, lage prijs, kwaliteit, duurzaam
Stuur onderzoek
Contact informatie
Voor vragen over hydraulische kleppen, magneetventielen, proportionele kleppen of prijslijst kunt u uw e-mailadres achterlaten en wij nemen binnen 24 uur contact met u op.
X
We gebruiken cookies om u een betere browse-ervaring te bieden, het siteverkeer te analyseren en de inhoud te personaliseren. Door deze site te gebruiken, gaat u akkoord met ons gebruik van cookies. Privacybeleid
Afwijzen Accepteren